當前位置:首頁 » 產品中心 » JXJ5015D1H-B
產品詳情
聯系我們
基本參數
-直流風扇JXJ5015D1H-B市場上常見的風扇,本公司生產的采用環保、防火、純銅線,進口矽鋼片生產。散熱風扇JXJ5015D1H-B,采用臺灣進口含油動壓合銅和ISC滾珠,含油的使用航空用油,油完全儲存好,不甩油,噪音低,平衡穩定,是公司成熟之產品。詳細請咨詢!

-散熱風扇JXJ5015D1H-B產品數據
| 電源類別 | DC |
|---|---|
| 尺寸 | 50 × 50mm |
| L寸 | 15 mm |
| 工作溫度 | -10 ~ 70 ℃ |
| 壽命 | 30,000 /50.000Hours 常溫 |
| 質量 | 27g |
| 軸承 | SLEEVE/BALL ( 可以根據客戶要求定制 ) |
| 制造公司名稱 | 深圳市吉翔佳電機有限公司 |
| 額定電壓 | 電壓電流轉速可以根據客戶要求定制 |
|---|---|
| 工作電流 | |
| 額定輸入 |
| 定額回轉速度 | |
|---|---|
| 最大風量(m3/min) | |
| 最大風量(CFM) | |
| 最大靜壓(Pa) | |
| 最大靜壓(inchH2O) | |
| 音壓(dB[A]) |
-散熱風扇JXJ5015D1H-B特性圖

(注)此處數據為額定電壓下的代表特性。
聲級吸收是從距離外側面1m處測定數值。
電源PWM不在保證范圍內。
電源的電壓脈動控制在額定電壓±5%以下。
上述以外的額定電壓,請分別咨詢。
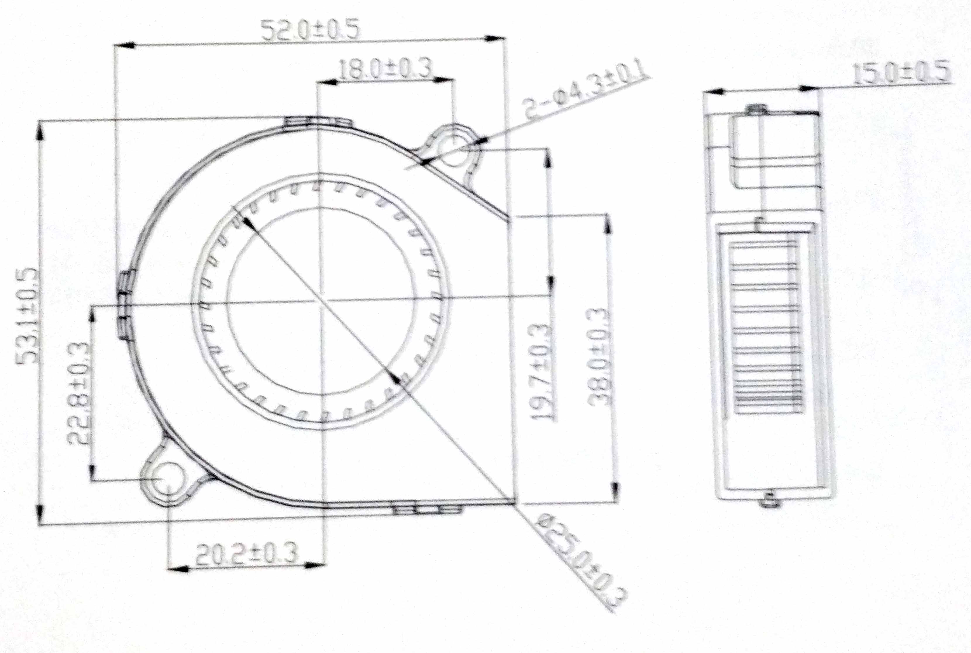
-散熱風扇JXJ5015D1H-B設計圖
-散熱風扇JXJ5015D1H-B標簽說明和產品認證











